Es un componente eléctrico que permite cambiar el camino que sigue la electricidad en un circuito. Al actuar sobre la pieza móvil de este operador, el conductor que entra por el punto 1 cambia su conexión de salida de uno a otro camino.

Comprobar con un polímetro que en reposo el terminal 1 está en contacto con el terminal 2 y que al accionar la palanca, el terminal 1 deja de hacer contacto con el 2 y lo hace con el 3.

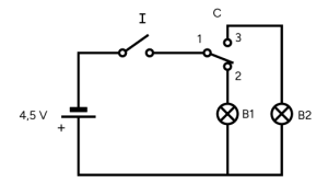
CIRCUITO CON CONMUTADOR
Al pulsar el interruptor I se enciende una de las dos bombillas (B1 en el esquema). Si a continuación se actúa el conmutador C, la bombilla que estaba encendida se apaga y se enciende la que estaba apagada.

Aplicación con minikits.

Se utilizan 1 portapilas, 4 minikits y 6 latiguillos de conexión.
Marcar en el circuito cada latiguillo que se ponga.
ENCENDER Y APAGAR DESDE DOS SITIOS (LUCES DE UNA HABITACIÓN)
En la posición indicada en el esquema para los conmutadores CA y CB, la bombilla B luce porque le llega la tensión V de la pila, ya que los dos conmutadores están en la misma posición 2.
Cuando se actúa cualquiera de los dos conmutadores, se apaga la bombilla porque se abre el circuito y la tensión de la pila no llega a la bombilla.
Si a continuación se actúa otra vez cualquiera de los dos conmutadores, la bombilla vuelve a encenderse.


Se utilizan 1 portapilas, 3 minikits y 5 latiguillos de conexión.
Marcar en el circuito cada latiguillo que se ponga.
MODIFICAR LA INTENSIDAD DE LA LUZ CON UN CONMUTADOR SIMPLE
CASO 1
Observar el cambio de intensidad de luz de la bombilla.
Al presionar el interruptor se enciende la bombilla con una tensión de 4,5 V a máxima intensidad.
Si se cambia la posición del conmutador, cambia el voltaje a 1,5 V y disminuye la intensidad de la bombilla.

Aplicación con minikits:

Se utilizan 2 portapilas, 3 minikits y 6 latiguillos de conexión.
CASO 2
Observar el cambio de intensidad de luz de la bombilla.
La bombilla se enciende con una tensión de 4,5 V a máxima intensidad.
Si se cambia la posición del conmutador, se reduce el voltaje al pasar por la resistencia y disminuye la intensidad de la bombilla.

Aplicación con minikits:

Se utilizan 1 portapilas, 3 minikits y 5 latiguillos de conexión.
CIRCUITO CONMUTADO MOTOR - LÁMPARA
Observar el cambio del funcionamiento del motor al funcionamiento de la bombilla.
Al presionar el interruptor se activa el motor.
Si se cambia la posición del conmutador, se para el motor y se enciende la bombilla.

Aplicación con minikits.

Se utilizan 1 portapilas, 5 minikits y 7 latiguillos de conexión.
