Con este operador se puede invertir la conexión de los conductores sin tener que hacer operaciones manuales como en la práctica anterior.

En una posición del conmutador la entrada nº 1 sale por la nº 3 y la entrada nº 2 por la nº 4. En la otra posición la entrada nº 1 sale por la nº 4 y la nº 2 por la nº 3.
Conexionado interno

Comprobar con un polímetro los siguientes cortocircuitos:
Conmutador en posición izquierda: 1-3 y 2-4
Conmutador en posición derecha: 1-4 y 2-3
Comprobar que no hay cortocircuito entre 1-2 y 3-4.
ENCENDER Y APAGAR DESDE TRES SITIOS (PASILLO DE UNA CASA)
Al actuar sobre cualquiera de los dos conmutadores CA o CB, o sobre la llave de cruce X, la bombilla B cambia de estado (se apaga si estaba encendida o viceversa).

Aplicación con minikits.

Se utilizan 1 portapilas, 4 minikits y 7 latiguillos de conexión. Marcar en el circuito cada latiguillo que se ponga.
Para ampliar el número de sitios desde los que poder apagar o encender la luz, se añaden tantas llaves de cruce en serie como se crea conveniente.
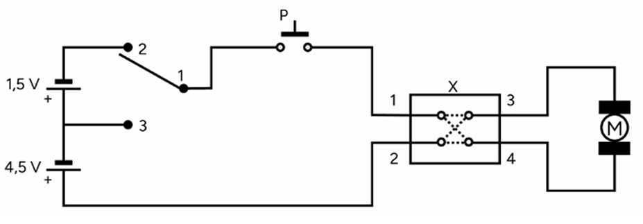
INVERTIR EL GIRO DE UN MOTOR
Mientras se presiona el pulsador P, el motor M se pone en movimiento. Al actuar sobre la llave de cruce X, se produce el cambio del sentido de giro del motor, porque la tensión V que llega al motor se invierte.

Aplicación con minikits.

Se utilizan 1 portapilas, 3 minikits y 5 latiguillos de conexión. Marcar en el circuito cada latiguillo que se ponga.
VARIACIÓN DE LA VELOCIDAD Y SENTIDO DE GIRO
Mientras se presiona el pulsador P, el motor M se pone en movimiento. Al actuar sobre el conmutador, se produce un cambio de velocidad y al actuar sobre la llave de cruce X, se produce el cambio del sentido de giro del motor, porque la tensión V que llega al motor se invierte.


Se utilizan 1 portapilas, 4 minikits y 8 latiguillos de conexión. Marcar en el circuito cada latiguillo que se ponga.
